| Tension d'alimentation | 24V AC/DC ±20% |
| Consommation | 7.5 VA / 5W |
| Types de régulateur | Régulateur impulsionnel, Régulateur contrôleur PI |
| Fonctions intégrées | 3 horloges de commutation, rampe consigne |
| Ecran LCD | LCD rétro-éclairé, 8 lignes de 20 caractères |
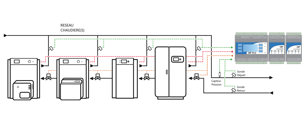
| Entrées | 1 entrée analogique pour sonde extérieure LG NI1000, 1 entrée capteur 4-20mA, 0-10Vdc, 2 entrées digitale (contacts secs libres de potentiel) pour activation de la modulation et arrêt externe |
| Sorties | 2 sorties relais de commutation, 1 sortie 3 points, 1 sortie 0-10Vdc |
| Communication | 2 ports IP switch Ethernet, 1 port RS485 |
Jusqu’à 4 chaudières en cascade
Prise en compte par la régulation cascade de la différence de puissance nominale de chaque chaudière.
Ce paramètre permet d’influencer la consigne chaudière en fonction de l’écart calculé de la température générale sur la consigne cascade.
Le régulateur permet la gestion de permutation automatique des chaudières pour harmoniser les temps de fonctionnement et le basculement en cas de défaut.
La régulation par courbe de chauffe permet d’adapter les besoins en chaleur de la cascade chaudières en fonction de la température extérieure.
Limitation du nombre de chaudières actives selon la température extérieure.
| Dimensions | 106 x 110 x 62 mm |
| Fixation | Rail DIN, fixation murale |
| Boitier | Plastique ABS |
| Indice de protection | IP 40 |
| Température utilisation | 10 °C à +50 °C |
| Température stockage | -40 °C à +85 °C |
| Humidité de fonctionnement | 5% à 95% sans condensation |


Notre solution connectée VIGILIA basée sur la technologie de marque TRIDIUM et le Logiciel SUPE avec technologie Niagara4, disposent des bibliothèques nécessaires à la mise en œuvre des fonctions d’automatisation, de régulation et de Gestion Technique du Bâtiment exigées par la norme NF EN ISO 52120-1 :2022.
Nos Régulateurs basés sur le modèle AAC20 & AAC20- LCD de la marque iSMA Controlli, disposent des bibliothèques nécessaires à la mise en œuvre des fonctions d’automatisation, de régulation et de Gestion Technique du Bâtiment exigées par la norme NF EN ISO 52120-1 :2022.
Notre solution, et nos régulateurs, peuvent être mis en œuvre dans le cadre de la Gestion Technique de Bâtiment pour les usages de chauffage afin de répondre aux conditions de délivrance des certificats d’économie d’énergie de type CEE BAT- TH-116.
Nos Régulateurs basés sur le modèle AAC20 & AAC20- LCD de la marque iSMA Controlli, intègrent les fonctionnalités permettant d’assurer les fonctions d’optimiseur de relance au sens de la norme NF EN 12098-1 « Performance énergétique des bâtiments – Régulation pour les systèmes de chauffage – Partie 1 : Equipement de régulation pour les systèmes de chauffage à eau chaude ».
Dès lors que ces conditions sont respectées, nos produits pourront être mis en œuvre en tant qu’optimiseur de relance en chauffage collectif afin de répondre aux conditions de délivrance des certificats d’économie d’énergie de type CEE BAT-TH-109.
Cette norme s'applique aussi dans le cadre de l'opération BAR-TH-123 comme "Optimiseur de relance en chauffage collectif".